AEP1020-Linear Tech. Chipsets
Features
- complies with ANSI and ETSI requirements
- matched to Linear Technology´s L T1497 chipsets
- very low THD
- 1,500V minimum isolation
- all materials approved to UL94V-0
- excellent quality at competitive price due to high volume production
- manufactured in ISO-9001 approved facility
|
|
 |
Electrical Specifications @ 25°C
Operating Temperature: -40° to +85°C
Part
Number |
Package |
IC Driver |
Turns
Ratio
±2%
Linie : IC |
LP
(µH)
±5% |
LL
(µH)
Max. |
CWW
(pF)
Max. |
DCR
(Ohm)
Max.
Linie / IC |
THD (Linearity)
Typical |
Longitudinal
Balance
Min. |
Insertion
Loss
Max. |
Frequency-
Response
Max. |
Isolation
Voltage
(Vrms) |
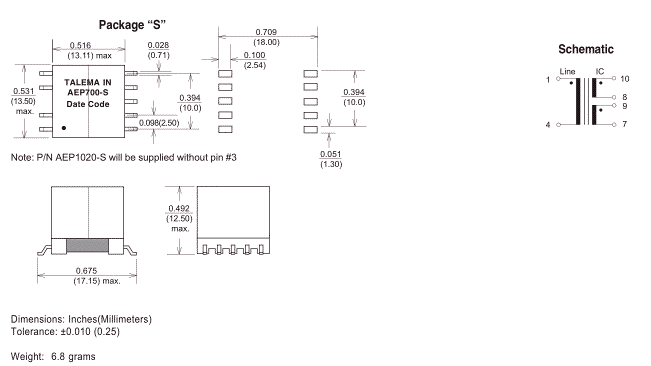
| AEP1020-S |
SMD |
LT1497 |
1 : 1,1 |
364 |
11 |
60 |
2,10 / 2,20 |
-67dB
10kHz |
-45dB
20kHz-1,1MHz |
1,5dB
50kHz |
1,0dB
40kHz-1,1MHz |
1.500 |
Top of page
|